hth在线平台

I38 STARCHECKmaxi 剂量分布仪

 


 

技术参数

● 可以测量所有的照射野尺寸,最大达到 40cm×40cm;

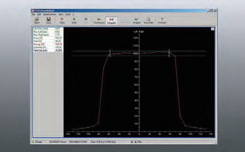
● 沿着主轴或者对角线测量高分辨率(3mm) 的剂量辐射剖面曲线图;

● 进行开机检测功能;

● 配合专业模体一起检查光野照射野一致性,射线质量等属性。

咨询热线
010-58256617